◆ Modell: YG60 YG100 YG150
◆ Gebrauch: Alle Teile dieser Serie von Messgeräten bestehen aus Edelstahl, und die Hauptteile bestehen aus 1CR18NI9, OCR18NI12MO2TI, SUS316, SUS316L usw. Das Schweißen jedes Teils wird durch ein Sonderprozess vorgenommen. Unter ihnen hat die korrosionsbeständige Hochtemperatur-Druckanzeige eine hervorragende Hochtemperatur- und korrosionsresistente Leistung, die für korrosive Umgebungen geeignet ist, schwache korrosive, aber nicht kristallisierende, nicht konsolidierung und niedrige Viskositäts-High-Temperatur-Medien. In Erdöl, Chemikalie, Pestizid, Gummi, Erdgas und anderen Branchen häufig eingesetzt.
◆ Technische ParameTer :
| Modellnummer | YG60 | YG100 | YG150 | ||
| Nenndurchmesser | Φ 60 | Φ 100 | Φ 150 | ||
| MonTagetyp | Ⅰ | * | * | * | |
| Ⅱ | * | * | * | ||
| Ⅲ | * | / | / | ||
| Ⅳ | * | * | * | ||
| Ⅴ | * | / | / | ||
| Ⅵ | * | * | * | ||
| Steckerfaden | M14 × 1.5 | M20 × 1.5 | |||
| Genauigkeitsklasse | 2.5 | 1.6 | |||
| Messbereich ( MPA ) | Frei: -0.1 ~ 0 Druckstaubsauger: -0.1 ~ 0,06 -0.1 ~ 0,15 -0,1 ~ 0,3 -0,1 ~ 0.5 -0.1 ~ 0,9 -0,1 ~ 1,5 -0.1 ~ 2.4 Druck: 0 ~ 0,1 0 ~ 0,16 0 ~ 0,25 0 ~ 0,4 0 ~ 0.6 0 ~ 1 0 ~ 1.6 0 ~ 2,5 0 ~ 4 0 ~ 6 0 ~ 10 0 ~ 16 0 ~ 25 0 ~ 40 0 ~ 60 0 ~ 100 、 0 ~ 160 、 0 ~ 250 | ||||
| Umweltbedingungen der Nutzung | Temperatur : -40 ℃~ 70 ℃ | ||||
| Temperatur | Direktinstallation: ≤ 150 ℃ | ||||
| Temperatur: ≤ 500 ℃ | |||||
| Temperatureffektfehler | Δ = ± (δ K Δ t ) Δ - - Der zulässige Wert des Anzeigwertfehlers, wenn die Umgebungstemperatur von 20 ℃ ± 5 ℃ abweicht, und der zulässige Wert des Anzeigwertfehlers, wenn die Umgebungstemperatur von 20 ℃ ± 5 ℃ abweist. % δ - - der Absolutwert des intrinsischen Fehlers des Instruments. % K - Temperatureffektkoeffizient mit einem Wert von 0,04%/° C Δ t ——∣temperatur des Mediums am Bourdon -Röhrchen ℃ -25∣ | ||||
| Vibrationsbewertung | V · H · 3 | ||||
| Borden Rohrmaterial | Ocr18ni12mo2ti ; Sus316 ; Sus316l | ||||
| Gehäuse, Steckermaterial | 1cr18ni9ti ; Sus304 | ||||
| Schutzklasse | IP65 | ||||
| Implementierungsstandards | GB/T 1226 | ||||
| Hinweis: 1. Joint Threads können nach den Benutzeranforderungen angepasst werden. | |||||
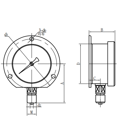
◆ Externe Dimensionen:
| Radial direkter Typ (ⅰ) | Axial exzentrischer direkter Typ (ⅱ) |
| Axial konzentrische direkte Typ (III) | Axial exzentrische Einsatztyp (iv) |
| Axiale Konzentrische Insertionstyp (v) | Radial konvexer Typ (vi) |
| Modellnummer | Gesamtabmessungen ( mm ) | |||||||
| A | B | C | D | D0 | D1 | D2 | M | |
| YG60 -Ⅰ | 56 | 33 | 11 | Φ 60 | / | / | Φ 5 | M14 × 1.5 |
| YG60 -Ⅱ | 61 | 32.5 | 18 | Φ 60 | / | / | Φ 5 | |
| YG60 -Ⅲ | 61 | 32.5 | / | Φ 60 | / | / | Φ 5 | M14 × 1.5 |
| YG60 -Ⅳ | 55 | 32.5 | 18 | Φ 60 | Φ 5 | Φ 75 | Φ 5 | |
| YG60 -Ⅴ | 55 | 32.5 | / | Φ 60 | Φ 5 | Φ 75 | Φ 5 | M14 × 1.5 |
| YG60 -Ⅵ | 56 | 33 | 11 | Φ 60 | Φ 5 | Φ 75 | Φ 5 | M14 × 1.5 |
| YG100 -Ⅰ | 90 | 48 | 15 | Φ 100 | / | / | Φ 6 | M20 × 1.5 |
| YG100 -Ⅱ | 83 | 44 | 34 | Φ 100 | / | / | Φ 6 | M20 × 1.5 |
| YG100 -Ⅳ | 68 | 44 | 34 | Φ 100 | Φ 6 | Φ 118 | Φ 6 | M20 × 1.5 |
| YG100 -Ⅵ | 90 | 48 | 15 | Φ 100 | Φ 6 | Φ 118 | Φ 6 | M20 × 1.5 |
| YG150 -Ⅰ | 117 | 51 | 16.5 | Φ 150 | / | / | Φ 6 | M20 × 1.5 |
| YG150 -Ⅱ | 92 | 52 | 55 | Φ 150 | / | / | Φ 6 | M20 × 1.5 |
| YG150 -Ⅳ | 69 | 52 | 55 | Φ 150 | Φ 6 | Φ 165 | Φ 6 | M20 × 1.5 |
| YG150 -Ⅵ | 117 | 53 | 28 | Φ 150 | Φ 6 | Φ 165 | Φ 6 | M20 × 1.5 |
















