◆ Modell: YLM60 YLM100 YLM150
◆ Anwendung: Diese Instrumentenreihe sind spezielle Instrumente zum Erkennen von niedrigen Temperaturen oder speziellem Kältemittel, die hauptsächlich im Klimaanlagenkühlschrank, Wasserkühler, Lufttrockner oder montierenden Kältemittel -Messgruppengruppensystem verwendet werden.
Es kann auch unterschiedliche Kältemittel-Multi-markierende Panels entsprechend den Anforderungen der Kunden herstellen, und es gibt viele Arten von Kappen und Fällen (Schweizer Stil), die Kunden auswählen können.
Aufgrund des optimierten Steckerdesigns und der besonderen Überlegungen bei der Auswahl der Schweißmaterialien und Druckerfassungskomponenten weist diese Produktreihe hervorragende Eigenschaften von Anti-Lehre, Anti-Druck-Impuls und Anti-Vibration auf
◆ Technische Parameter :
| Modellnummer | YLM60 | YLM100 | YLM150 | |
| Nenndurchmesser | Φ 60 | Φ 100 | Φ 150 | |
| Montagetyp | Ⅰ | * | * | * |
| Ⅱ | * | * | * | |
| Ⅲ | * | / | / | |
| Ⅳ | * | * | * | |
| Ⅴ | * | / | / | |
| Ⅵ | * | * | * | |
| Steckerfaden | M14 × 1.5 | M20 × 1.5 | ||
| Genauigkeitsklasse | 2.5 | 1.6 | ||
| Messbereich ( MPA ) | Niedrige Spannung: (- 30 ~ 0 ……… 15 ) kg , 1,8 mpa bedrückend :( 0 ~ 35 ) kg , 3,8 MPA | |||
| Medientypspezifikation | R134a 、 R22A 、 R404a 、 R407a | |||
| Umweltbedingungen der Nutzung | Temperatur: -20 ℃~ 60 ℃; Relative Luftfeuchtigkeit: ≤ 80 % | |||
| Vibrationsbewertung | V · H · 3 | |||
| Schutzklasse | IP54 | |||
| Implementierungsstandards | GB/T 1226 | |||
| Hinweis: 1. Joint Threads können nach den Benutzeranforderungen angepasst werden. | ||||
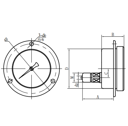
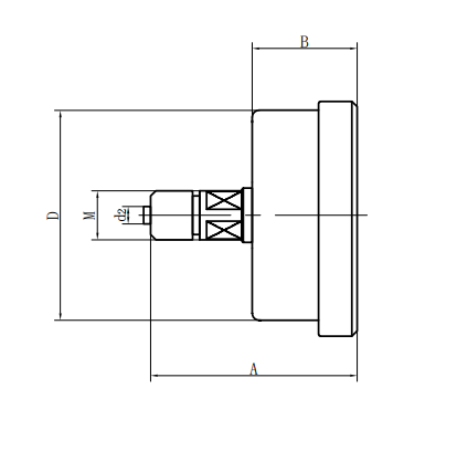
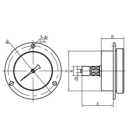
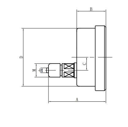
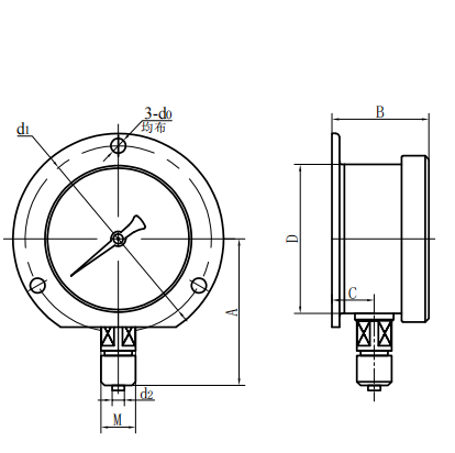
◆ Externe Dimensionen:
| Radial direkter Typ (ⅰ) | Axial exzentrischer direkter Typ (ⅱ) |
| Axial konzentrische direkte Typ (III) | Axial exzentrische Einsatztyp (iv) |
| Axiale Konzentrische Insertionstyp (v) | Radial konvexer Typ (vi) |
| Modellnummer | Gesamtabmessungen ( mm ) | |||||||
| A | B | C | D | D0 | D1 | D2 | M | |
| YLM60 -Ⅰ | 56 | 33 | 11 | Φ 60 | / | / | Φ 5 | M14 × 1.5 |
| YLM60 -Ⅱ | 61 | 32.5 | 18 | Φ 60 | / | / | | |
| YLM60 -Ⅲ | 61 | 32.5 | / | Φ 60 | / | / | Φ 5 | M14 × 1.5 |
| YLM60 -Ⅳ | 55 | 32.5 | 18 | Φ 60 | Φ 5 | Φ 75 | | |
| YLM60 -Ⅴ | 55 | 32.5 | / | Φ 60 | Φ 5 | Φ 75 | Φ 5 | M14 × 1.5 |
| YLM60 -Ⅵ | 56 | 33 | 11 | Φ 60 | Φ 5 | Φ 75 | Φ 5 | M14 × 1.5 |
| YLM100 -Ⅰ | 90 | 48 | 15 | Φ 100 | / | / | Φ 6 | M20 × 1.5 |
| YLM100 -Ⅱ | 83 | 44 | 34 | Φ 100 | / | / | Φ 6 | M20 × 1.5 |
| YLM100 -Ⅳ | 68 | 44 | 34 | Φ 100 | Φ 6 | Φ 118 | Φ 6 | M20 × 1.5 |
| YLM100 -Ⅵ | 90 | 48 | 15 | Φ 100 | Φ 6 | Φ 118 | Φ 6 | M20 × 1.5 |
| YLM150 -Ⅰ | 117 | 51 | 16.5 | Φ 150 | / | / | Φ 6 | M20 × 1.5 |
| YLM150 -Ⅱ | 92 | 52 | 55 | Φ 150 | / | / | Φ 6 | M20 × 1.5 |
| YLM150 -Ⅳ | 69 | 52 | 55 | Φ 150 | Φ 6 | Φ 165 | Φ 6 | M20 × 1.5 |
| YLM150 -Ⅵ | 117 | 53 | 28 | Φ 150 | Φ 6 | Φ 165 | Φ 6 | M20 × 1.5 |


















