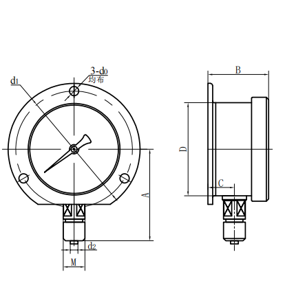
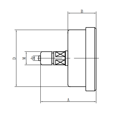
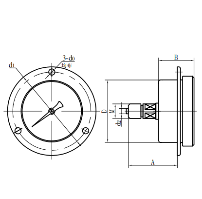
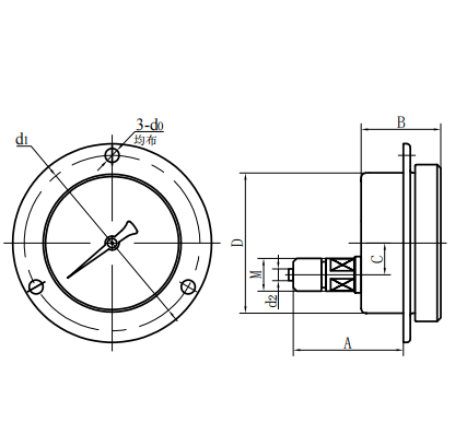
◆ Modell: YN40 YN50 YN60 YN75 YN100 YN150
◆ Verwendung: Diese Instrumentereihe hat einen guten Schockwiderstand, insbesondere für Orte mit starker Vibration der Umweltmaschinerie und kann gewalttätiger Pulsation, Schock und plötzlichem Entladen des mittleren Drucks standhalten. Es ist geeignet, um den Druck von Flüssigkeit, Gas oder Dampf zu messen, der keine Explosionsgefahr hat, nicht kristallisiert, nicht verfestigt und keine korrosive Wirkung auf Kupfer- und Kupferlegierung hat. Das Instrument zeigt stabile und klare Messwerte an. Es wird häufig in schweren Maschinen, Bergbau, Erdöl, chemischen Industrie, Metallurgie, elektrischer Strom und anderen Abteilungen eingesetzt.
◆ In der praktischen Anwendung nach den besonderen Merkmalen verschiedener Medien (wie Ölverbot, feuerfest, korrosionsbeständiger usw.) sind die Anforderungen des Instruments unterschiedlich, so
2.1 geeignet zur Messung des Drucks von brennbaren und explosiven Medien. Es ist strengstens untersagt, mit fettigen, brennbaren Substanzen in Kontakt zu treten. Die Entfettungsbehandlung erfolgt vor dem Verlassen der Fabrik und wird getestet, um frei von Fett zu sein.
2.1.1 Yon Series Schockresistente (seismische) Sauerstoffdruckanzeige
2,1,2 YHN-Serie-schockresistente (seismische) Wasserstoff-Druckmessstoffe
2.1.3 YYN-Reihe von schockresistenten (Schock-) Acetylen-Druckmessstiche
2.2 Die verwendeten Materialien sind gegen Korrosion des Mediums resistent, oder das Instrument hat keinen Einfluss auf das Medium und um sicherzustellen, dass die Nachweiselemente und Schnittstellen sauber und fettfrei sind.
2.2.1 Yan-Serie von schockresistenten (Schock) Ammoniak-Druckmessstich
2.2.2 YDQN-Serie von schockresistenten (Schock) Stickstoff-Druckanzeige
YN-Serie Stoßdicht vorhanden
Modell: 40 mm (1,5 "), 50 mm (2"), 60 mm (2,5 "), 100 mm (4"), 150 mm (6 ").
Einführung:
Die Instrumentenreihe weisen einen hervorragenden Schockfestigkeit, eine stabile Indikation und klare Messwerte auf und eignen sich besonders für die Verwendung an Orten mit intensiven mechanischen Schwingungen. Sie können auch drastischen Pulsationen, Auswirkungen und plötzlichen Lastreduzierungen des Mediums standhalten. Es ist Schockabsorbungsmechanismus und flüssiggefülltes Design (typischerweise Glycerin und Silikonöl) ermöglichen diese Druckmesser, um eine zuverlässige und präzise Druckmessung selbst unter komplexen und widrigen Bedingungen zu gewährleisten. Aufgrund seiner Elastizität und Genauigkeit wird es in verschiedenen Branchen weit verbreitet.



















































































































