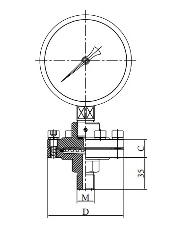
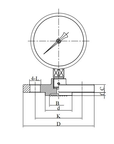
◆ Modell: YTZ100, YTZ-150
◆ Anwendung: Diese Art von Instrument eignet sich zum Messen des Drucks von Flüssigkeiten, Gasen oder Dämpfen ohne Explosionsgefahr, ohne Kristallisation, ohne Erstarrung und keine korrosive Wirkung auf Kupfer- und Kupferlegierungen.
Aus rostfreiem Stahl kann es verwendet werden, um den Druck von Flüssigkeiten, Gasen oder Dämpfen zu messen, die schwach korrosiv, aber nicht explosiv, kristallisiert oder verfestigen.
◆ Wenn es notwendig ist, eine dockfeste Druckanzeige zu erstellen, kann er mit Glycerin oder Silikonöl gefüllt werden.


















