◆ Modell: YQ40 YQ50 YQ60 YQ75 YQ100 YQ150
◆ Gebrauch: Diese Reihe von Messgeräten bestehen alle aus Edelstahl, wobei die interne Sicherheits-Trennwand und Druckhilfelöcher oben übermäßigen Druck im Gehäuse freisetzen, der durch Überlastung oder Müdigkeit von elastischen Elementen verursacht wird, um die Sicherheit von Operatoren und Geräten und Ausrüstungen zu schützen, und ein flüssiger Stopper und eine interne Ausgleichung des Stättens entschädigen die Stätte. Mit flüssig gefüllte Sicherheitsmessgeräte sind vibrationsresistente, wodurch die Beschädigung der Innenseite des Messgeräts aufgrund von Vibrationen verhindern und die inneren Komponenten geschmiert werden, um Verschleiß und Korrosion zu minimieren.
Diese Messgeräte werden häufig für Bohr-, Raffinerien-, Chemikalie-, Lebensmittel-, Pharma-, Meeres-, Offshore -Ölplattformen und andere Branchen eingesetzt.
| Modellnummer | YQ60 | YQ100 | YQ150 | |
| Nenndurchmesser | Φ 60 | Φ 100 | Φ 150 | |
| Installationsformular | Ⅰ | * | * | * |
| Ⅱ | * | * | * | |
| Ⅲ | * | / | / | |
| Ⅳ | * | * | * | |
| Ⅴ | * | / | / | |
| Ⅵ | * | * | * | |
| Steckerfaden | M14 × 1.5 | M20 × 1.5 | ||
| Genauigkeitsklasse | 2.5 | 1.6 | ||
| Messbereich ( MPA ) | Frei: -0.1 ~ 0 Druckstaubsauger: -0.1 ~ 0,06 -0.1 ~ 0,15 -0,1 ~ 0.3 -0.1 ~ 0,5 -0,1 ~ 0,9 -0,1 ~ 1,5 -0.1 ~ 2.4 Druck: 0 ~ 0,1 0 ~ 0,16 0 ~ 0,25 0 ~ 0,4 0 ~ 0.6 0 ~ 1 0 ~ 1.6 0 ~ 2,5 0 ~ 4 0 ~ 6 0 ~ 10 0 ~ 16 0 ~ 25 0 ~ 40 0 ~ 60 0 ~ 100 0 ~ 160 0 ~ 250 | |||
| Umweltbedingungen der Nutzung | Temperatur: -40 ℃~ 70 ℃ | |||
| Vibrationsbewertung | V · H · 3 | |||
| Borden Rohrmaterial | Ocr18ni12mo2ti ; Sus316 ; Sus316l | |||
| Fall- und Steckermaterial | 1cr18ni9ti ; Sus304 | |||
| Schutzklasse | IP65 | |||
| Implementierungsstandards | GB/T1226 | |||
| Hinweis: 1. Joint Threads können nach den Benutzeranforderungen angepasst werden. | ||||
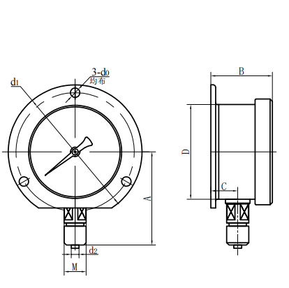
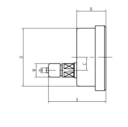
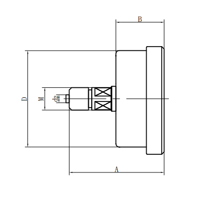
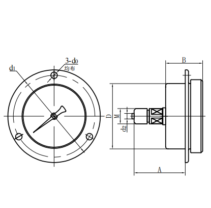
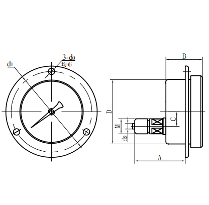
◆ Externe Dimensionen:
| Radial direkter Typ (ⅰ) | Axial exzentrischer direkter Typ (ⅱ) |
| Axial konzentrische direkte Typ (III) | Axial exzentrische Einsatztyp (iv) |
| Axiale Konzentrische Insertionstyp (v) | Radial konvexer Typ (vi) |
| Modellnummer | Gesamtabmessungen ( mm ) | |||||||
| A | B | C | D | D0 | D1 | D2 | M | |
| YQ60- Ⅰ | 56 | 33 | 11 | Φ 60 | / | / | Φ 5 | M14 × 1.5 |
| YQ60- Ⅱ | 61 | 32.5 | 18 | Φ 60 | / | / | Φ 5 | |
| YQ60- Ⅲ | 61 | 32.5 | / | Φ 60 | / | / | Φ 5 | M14 × 1.5 |
| YQ60- Ⅳ | 55 | 32.5 | 18 | Φ 60 | Φ 5 | Φ 75 | Φ 5 | |
| YQ60- Ⅴ | 55 | 32.5 | / | Φ 60 | Φ 5 | Φ 75 | Φ 5 | M14 × 1.5 |
| YQ60- Ⅵ | 56 | 33 | 11 | Φ 60 | Φ 5 | Φ 75 | Φ 5 | M14 × 1.5 |
| YQ100- Ⅰ | 90 | 48 | 15 | Φ 100 | / | / | Φ 6 | M20 × 1.5 |
| YQ100- Ⅱ | 83 | 44 | 34 | Φ 100 | / | / | Φ 6 | M20 × 1.5 |
| YQ100- Ⅳ | 68 | 44 | 34 | Φ 100 | Φ 6 | Φ 118 | Φ 6 | M20 × 1.5 |
| YQ100- Ⅵ | 90 | 48 | 15 | Φ 100 | Φ 6 | Φ 118 | Φ 6 | M20 × 1.5 |
| YQ150- Ⅰ | 117 | 51 | 16.5 | Φ 150 | / | / | Φ 6 | M20 × 1.5 |
| YQ150- Ⅱ | 92 | 52 | 55 | Φ 150 | / | / | Φ 6 | M20 × 1.5 |
| YQ150- Ⅳ | 69 | 52 | 55 | Φ 150 | Φ 6 | Φ 165 | Φ 6 | M20 × 1.5 |
| YQ150- Ⅵ | 117 | 53 | 28 | Φ 150 | Φ 6 | Φ 165 | Φ 6 | M20 × 1.5 |


















