◆ Technische Parameter:
| Modell | CYBN100 | CYBN150 |
| Nenndurchmesser | Φ 100 | Φ 150 |
| Montagetyp | Radial konvex montiert Parallele Schnittstellen | * | * |
| Radial konvex montiert Acht-Charakter-Schnittstelle | | * |
| Exzentrischer exzentrischer Flush -Typ | * | * |
| Messbereich | Differenzdruck Messbereich KPA | Nominal Arbeitsdruck KPA | Differenzdruck Messbereich MPA | Nominal Arbeitsdruck MPA |
| 0 ~ 10 | 60 | 0 ~ 0.16 | 1 |
| 0 ~ 16 | 100 | 0 ~ 0.25 | 1.6 |
| 0 ~ 25 | 160 | 0 ~ 0.4 | 2.5 |
| 0 ~ 40 | 250 | 0 ~ 0.6 | 4 |
| 0 ~ 60 | 400 | 0 ~ 1 | 6 |
| 0 ~ 100 | 600 | 0 ~ 1.6 | 10 |
| | | 0 ~ 2.5 | 10 |
| Genauigkeitsklasse | 2.5 |
| Anpassungsfäden | M20 × 1.5 |
| Verwenden Sie Umgebungstemperatur | -40 ℃~ 70 ℃ |
| Die Temperatur des zu verwendenden Mediums | ≤ 60 ℃ |
| Vibrationswiderstand | V · H · 4 |
| Gehege | IP65 |
| Gewicht | Etwa 1,5 kg |
| Material des Impulssystems | 0cr17ni12mo2 、 Sus316 |
| Gehäuse und andere Materialien | 1cr18ni9 、 Sus304 |
| Den Standard erzwingen | JB/T 12015-2014 |
| Notiz: 1 . Der gemeinsame Thread kann nach den Benutzeranforderungen angepasst werden. |
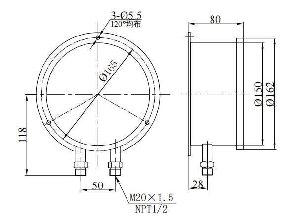
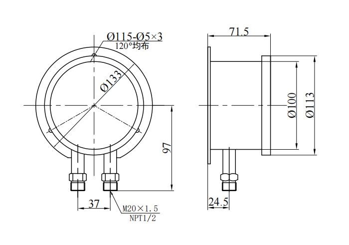
◆ Aussehen und Installationsgröße:
| CYBN100 Parallele Schnittstellen | CYBN150 Parallele Schnittstellen |
| CYBN150 Bazi -Schnittstelle | CYBN150 Axiale Exzentrizität |
◆ Strukturprinzip:
Das Instrument nimmt eine doppelte Bourdon - -Rohrstruktur anAnwesend dh zwei Bourdon -Röhrchen werden in symmetrischen Positionen auf beiden Seiten der "I" -Kracket installiert. Die oberen und unteren Abschnitte der "I" -Kracket sind das bewegliche Ende bzw. das feste Ende, und die Mitte ist durch ein Federstück verbunden: Die beiden Bourdon -Röhrchen befinden sich in einem parallelen ZustUnd und sind mit dem hohen und niedrigen Spannungsfugen auf dem Gehäuse mit dem Leitungsverkehr verbunden: Das Getriebe. Der Getriebe ist ein direktes Ende des Abstands, und das mit dem Abzug des Abstands. ist direkt am Getriebeübertragungsmechanismus festgelegt.
◆ Arbeitsprinzip: Basierend auf dem Druckerfasselement werden zwei Bourdon -Röhrchen mit der gleichen Steifheit verwendet, sodass sie unter demselben gemessenen Medium die gleiche konzentrierte Kraft erzeugen, um auf die bewegliche Klammer zu wirken, da die beiden Seiten der Frühlingsklinge nicht die Ablöser aus dem Wirkung des gleichen Momentes erzeugen, sodass die Ausrüstung die ursprüngliche Position in der ursprünglichen Position. Position.
Wenn unterschiedliche Drücke angewendet werden (im Allgemeinen ist das Hochdruckende höher als das Niederdruckend) , ist die Kraft der beiden Bourdon-Röhrchen, die auf die bewegliche Unterstützung wirken, nicht gleich, so dass der entsprechende Verschiebung erzeugt wird, der jeweils erzeugt wird, und der Ausrüstungsübertragungsmechanismus wird angetrieben und verstärkt, und der Differentialzweck zwischen den beiden wird angegeben, nach dem das Pointer entnommen wird.
◆ Vorsichtsmaßnahmen:
1. Die Das Instrument sollte vertikal an einer Position installiert werden, die sich auf dem gleichen Niveau wie der Messpunkt befindet, andernfalls muss der zusätzliche Fehler, der durch die Differenz der Flüssigkeitsebene verursacht wird, berücksichtigt werden.
2 . Der mit "markierte Instrumentenanschluss" " H " oder " "Ist das Hochspannungsende und das mit" gekennzeichnete " L " oder " - "Ist das Niederspannungsende und kann während der Installation nicht umgekehrt werden.
3 . Wenn das Instrument den Differenzdruck misst, kann der Differenzdruckwert innerhalb verwendet werden 75% der Obergrenze des Skalierungsbereichs und der maximale statische Druckwert des Systems sollte den vom Instrument festgelegten maximalen statischen Druckwert nicht überschreiten.
4. Wie in Abbildung gezeigt 4 , das Gleichgewicht (Sicherheitsventil (Ventil) 1 ) sollte während der Installation vor den Hoch- und Niederdruckeingangsanschlüssen des Instruments eingestellt werden, und sollte in offener Position sein, und das Gleichgewichtsventil sollte nach dem Ventil geschlossen werden 2 and Ventil 3 sind alle geöffnet.
5 . Vor dem Gebrauch sollte das Instrument den durch das gemessenen Medium verursachten Erosionsgrad sorgfältig überprüfen, um keine frühzeitige Korrosionsschäden am Bourdon -Röhrchen zu verursachen.
6 . Wenn das Instrument regelmäßig aufrechterhalten wird, ist es ratsam, spezielle Werkzeuge zu verwenden, wenn die Messgerätabdeckung geöffnet werden muss.
7 . Wenn das Instrument von Temperaturänderungen beeinflusst wird und der Indikationsfehler zunimmt und die Messgenauigkeit beeinflusst, kann der Steckerboss auf dem Fall abgeschnitten werden, um das Innere und außerhalb des Falles zu kommunizieren und der Luftdruck ausgeglichen wird.
◆ Bestellnotiz:
Bei der Bestellung des Instruments muss der Benutzer angeben:
1. Name und Modell, Differenzdruckbereich, maximaler statischer Druck, Messeinheit, Genauigkeitsniveau;
2. Gemeinsame Gewindegröße: konventionell M20 × 1.5 , Npt1/2 (oder kundenspezifiziert);
3. HINWEIS: Drei Ventilgruppen können im Namen der Benutzer angepasst werden (Ventile 1 ~ 3 In Abbildung 4 )