◆ Modell: Yp100-LYP150-LYP100-F YP150-F
◆ Modell: Yp100-LYP150-LYP100-F YP150-F
◆ Technische Parameter:
| Modell | Yp100-l 、 Yp100-f | Yp150-l 、 YP150-F |
| Nenndurchmesser | F 100 | F 150 |
| Genauigkeitsklasse | 2.5 | |
| Messbereich ( KPA ) | Unterdruck: -60 ~ 0 -40 ~ 0 -25 ~ 0 -16 ~ 0 -10 ~ 0 0 ~ 10 -6 ~ 0 -4 ~ 0 -2.5 ~ 0 -1.6 ~ 0 Positiver Druck: 0 ~ 1.6 0 ~ 2,5 0 ~ 4 0 ~ 6 0 ~ 1 0 ~ 1.6 0 ~ 2.5 Positiver und unteren Druck: -0.8 ~ 0,8 -1,2 ~ 1,2 -2 ~ 2 -3 ~ 3 -5 ~ 5 -8 ~ 8 -12 ~ 12-20 ~ 20 -30 ~ 30 | |
| Messbereich ( MPA ) | Vakuum: -0.1 ~ 0 Druckvakuum: -0.1 ~ 0,06 -0.1 ~ 0,15 -0,1 ~ 0.3 -0.1 ~ 0,5 -0,1 ~ 0,9 -0,1 ~ 1,5 -0.1 ~ 2.4 Druck: 0 ~ 0,06 0 ~ 0,1 0 ~ 0,16 0 ~ 0,25 0 ~ 0.4 0 ~ 0,6 0 ~ 1 0 ~ 1.6 0 ~ 2.5 | |
| Verwenden Sie Umgebungstemperatur | -40 ℃~ 70 ℃ | |
| Zwerchfellmaterial | Ocr18ni12mo2ti ; Sus316 ; | |
| Montagetyp | Überfielen ( L ); Flansch ( F ), ( F1 ) | |
| Vibrationswiderstand | V · H · 2 | |
| Schutz des Schutzes | IP64 | |
| Den Standard erzwingen | JB/T 5491 | |
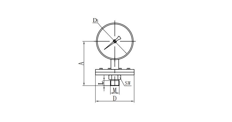
◆ Externe Dimensionen:
Überfielen ( L )
| Modell | Abmessungen ( mm ) | |||||
| A | D | D1 | SW | L | M | |
| Yp100-l | 135 | Φ 97.5 Mikroverfahren φ 165 | 110 | 27 | 20 | M20 × 1.5 |
| Yp150-l | 160 | 160 | 27 | 20 | M20 × 1.5 | |
| Hinweis: Der gemeinsame Thread ( M ) kann gemäß den Benutzeranforderungen in Rohrgewinde oder verjüngte Rohrgewinde verarbeitet werden (siehe Auswahlhandbuch). | ||||||
Wuxi Huihua Special Instrumentation Co., Ltd. was established in December 2001, the registered capital is 5 million yuan, the existing staff of more than 50 small and medium-sized joint-stock enterprises.
Das Unternehmen ist auf die Herstellung verschiedener Arten von Spezialinstrumenten spezialisiert, Alternative zur Lokalisierung importierter Instrumente. Zu seismischer Druckanzeige, seismischer elektrischer Kontaktstecher, Edelstahl-Druckmesser, Membrankorrosionsresistant-Manometer, Meeresdruckmesser und andere Serien als Hauptprodukte. Auf der Grundlage von Feldinstrumenten haben wir verschiedene Arten von Drucksendern, Drucksteuerungen, digitale Druckmessgeräte usw. entwickelt. Es gibt mehr als 30 Serien und 3000 Spezifikationen. Versorgungsprodukte werden in Erdöl, Chemikalie, Papier, Metallurgie, Bergbau, Chemiefaser, elektrischer Strom, Lebensmittel, Umweltschutz, Gummi und Plastik, Hydraulik und vielen anderen Branchen und mehr als 2.000 inländischen Kunden verwendet, um eine freundliche Beziehung mit dem nationalen großen und mittelgroßen Unternehmen aufzubauen, um ein gutes Partnerschaft zu erstellen.
Als Diaphragmenstundenmessgeräte der YP -Serie ManufacturersIm gesamten Fertigungssystem sind strenge Qualitätskontrollprozesse vorhanden, um sicherzustellen, dass eine konsistente Qualität erzeugt wird.
Manometer gehören zu den grundlegendsten Instrumenten in jeder industriellen, mechanischen oder Prozessumgebung. Sie ermöglichen eine Echtzeitmessung des Flüssigkeits- oder Gasdrucks und ermöglichen es dem Bediener, d......
MEHR LESENGrundlegendes zu Manometer-Grundlagen Manometer sind unverzichtbare Instrumente, die in unzähligen Branchen zur Messung und Anzeige des Drucks von Gasen oder Flüssigkeiten in einem System eingesetzt werden. D......
MEHR LESENDifferenzdrucktransmitter sind unverzichtbare Instrumente in modernen industriellen Prozesssteuerungs-, Mess- und Überwachungssystemen. Diese Geräte messen den Druckunterschied zwischen zwei Punkten in einem System un......
MEHR LESEN